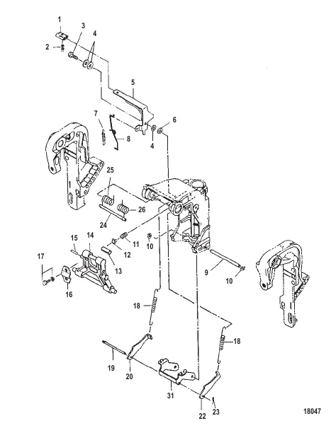
Manual Tilt Serial Number 0N096057 and Below [0N056165 & Up] - Cat.# 90-802638006 40 LIGHTNING XR (международн.)
№
Описание
-
К-во на
агрегате -
Стоимость
за шт.
9

Уточните дату поставки
-
К-во на агрегате
-
Стоимость за шт.951 ₽
-
Купить
19

Уточните дату поставки
-
К-во на агрегате
-
Стоимость за шт.982 ₽
-
Купить