85AETL (688G, 2016) 590 DARK BLUISH GRAY 1(DBN1)
-
Запчасти для сервисного обслуживания
-
Обтекатель верхний
-
Цилиндр и картер двигателя
-
Коленчатый вал и поршень
-
Впускная система
-
Карбюратор
-
Топливная система
-
Генератор
-
Электрика 1
-
Электрика 2
-
Стартер электродвигателя
-
Обтекатель нижний
-
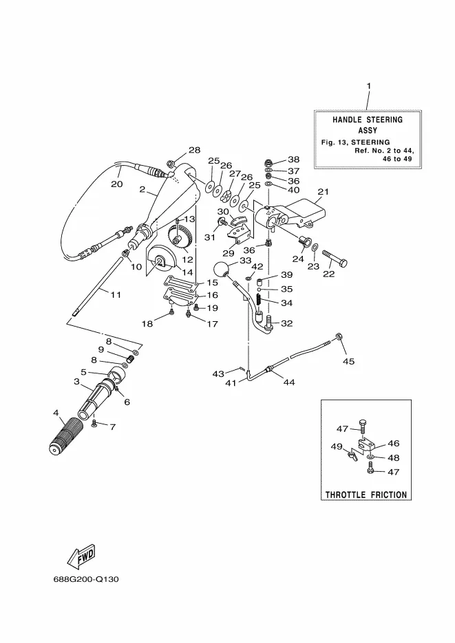
Рулевое управление
-
Управление
-
Кронштейн 1
-
Кронштейн 2
-
Кронштейн 3
-
Кронштейн 4
-
Усилитель дифферента и наклона в сборе
-
Верхний корпус
-
Нижний корпус и привод 1
-
Нижний корпус и привод 2
-
Нижний корпус и привод 3
-
Топливный бак
-
Рулевая тяга
-
Блок дистанционного управления
-
Пульт дистанционного управления в сборе 1
-
Пульт дистанционного управления в сборе 2
-
Счетчик
-
Дополнительные детали
-
Ремкомплект 1
-
Ремкомплект 2