E115AETL (61UD, 2012) 350 DARK BLUISH GRAY 1(DBN1)
-
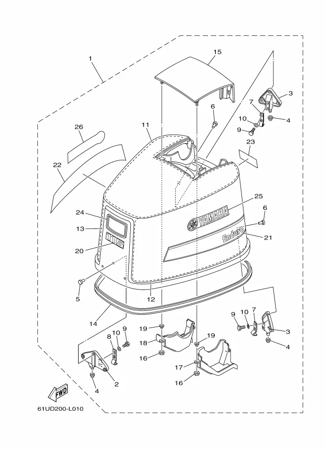
Обтекатель верхний 1
-
Обтекатель верхний 2
-
Цилиндр и картер двигателя 1
-
Коленчатый вал и поршень
-
Цилиндр и картер двигателя 2
-
Впускная система 1
-
Впускная система 2
-
Карбюратор 1
-
Карбюратор 2
-
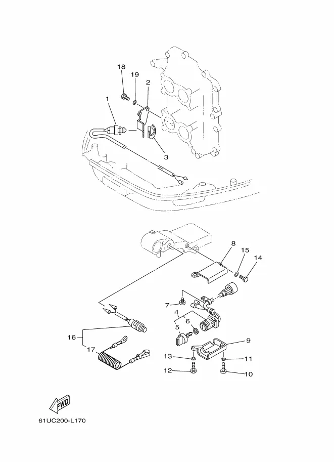
Топливная система 1
-
Топливная система 2
-
Топливная система 3
-
Стартер
-
Генератор
-
Электрика 1
-
Электрика 2
-
Электрика 3
-
Электрика 4
-
Стартер электродвигателя
-
Обтекатель нижний
-
Рулевое управление
-
Управление
-
Кронштейн 1
-
Кронштейн 2
-
Кронштейн 3
-
Кронштейн 4
-
Кронштейн 5
-
Усилитель дифферента и наклона в сборе 1
-
Усилитель дифферента и наклона в сборе 2
-
Верхний корпус
-
Нижний корпус и привод 1
-
Нижний корпус и привод 2
-
Рулевая тяга
-
Блок дистанционного управления
-
Пульт дистанционного управления в сборе
-
Счетчик
-
Ремкомплект 1
-
Ремкомплект 2