F30A (69H2, 2002) 140 DARK BLUISH GRAY METALLIC 2(DBNM2)
-
Обтекатель верхний
-
Цилиндр и картер двигателя 1
-
Коленчатый вал и поршень
-
Цилиндр и картер двигателя 2
-
Клапан
-
Впускная система
-
Карбюратор
-
Масленый насос
-
Топливная система 1
-
Топливная система 2
-
Стартер
-
Генератор
-
Электрика 1
-
Электрика 2
-
Электрика 3
-
Электрика 4
-
Стартер электродвигателя
-
Обтекатель нижний
-
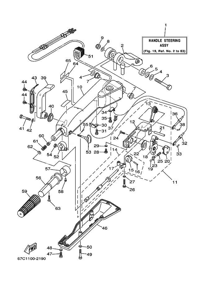
Рулевое управление
-
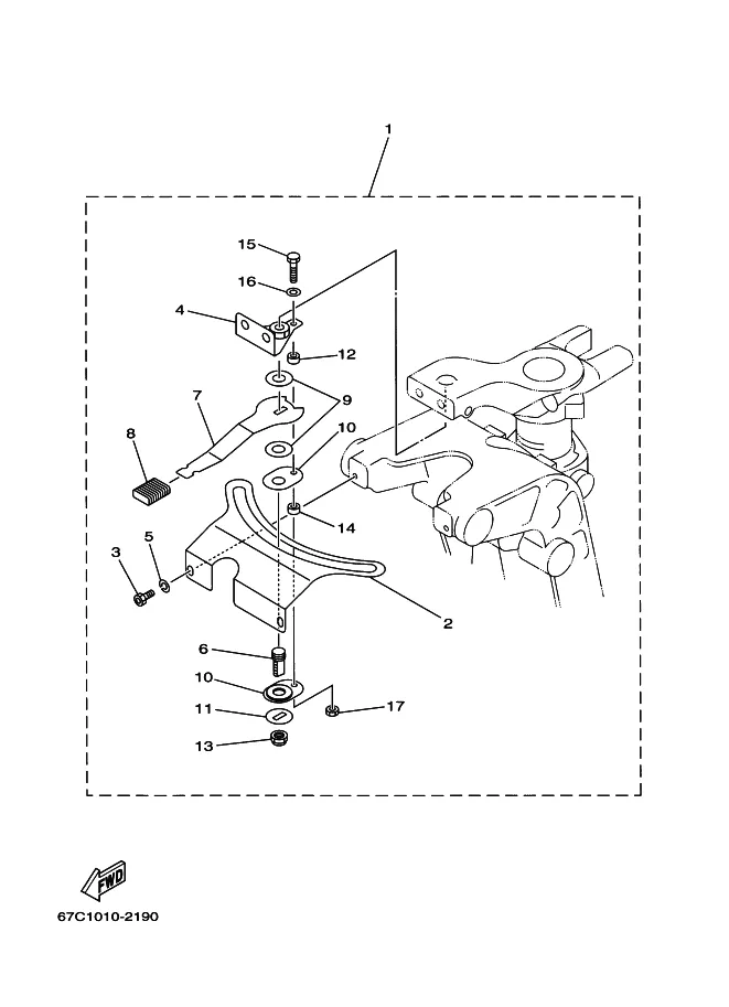
Фрикцион рулевого управления
-
Управление
-
Кронштейн 1
-
Кронштейн 2
-
Кронштейн 3
-
Усилитель дифферента и наклона в сборе
-
Верхний корпус
-
Маслосборник
-
Нижний корпус и привод 1
-
Нижний корпус и привод 2
-
Топливный бак
-
Рулевая тяга
-
Блок дистанционного управления
-
Пульт дистанционного управления в сборе
-
Счетчик 1
-
Счетчик 2
-
Дополнительные детали
-
Ремкомплект 1
-
Ремкомплект 2
-
Ремкомплект 3