F50AETL F50AET (62Y2, 2003) 080 DARK BLUISH GRAY METALLIC 2(DBNM2)
-
Обтекатель верхний
-
Цилиндр и картер двигателя 1
-
Коленчатый вал и поршень
-
Цилиндр и картер двигателя 2
-
Клапан
-
Впускная система
-
Карбюратор
-
Масленый насос
-
Топливная система
-
Генератор
-
Электрика 1
-
Электрика 2
-
Электрика 3
-
Электрика 4
-
Электрика 5
-
Стартер электродвигателя
-
Обтекатель нижний
-
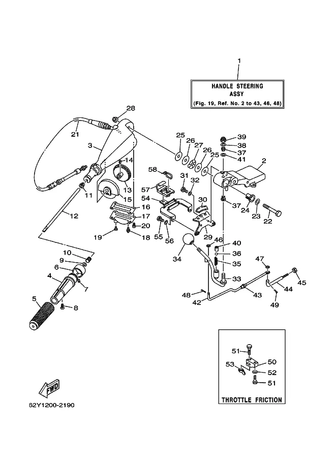
Рулевое управление 1
-
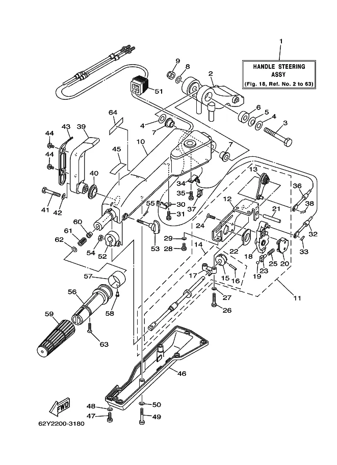
Рулевое правление 2
-
Фрикцион рулевого управления 1
-
Фрикцион рулевого управления 2
-
Управление
-
Кронштейн 1
-
Кронштейн 2
-
Кронштейн 3
-
Усилитель дифферента и наклона в сборе 1
-
Усилитель дифферента и наклона в сборе 2
-
Усилитель дифферента и наклона в сборе 3
-
Верхний корпус
-
Маслосборник
-
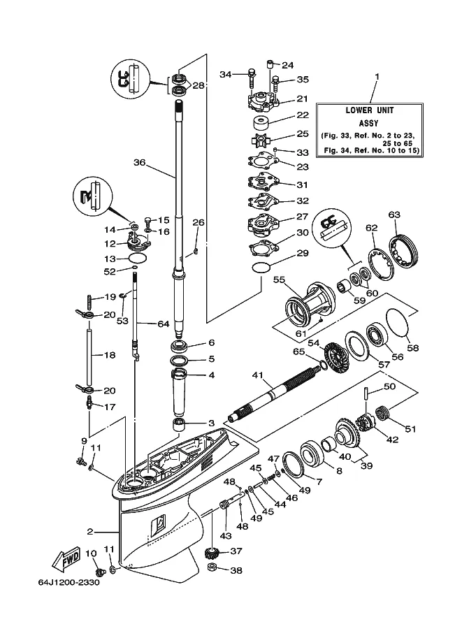
Нижний корпус и привод 1
-
Нижний корпус и привод 2
-
Нижний корпус и привод 3
-
Нижний корпус и привод 4
-
Топливный бак
-
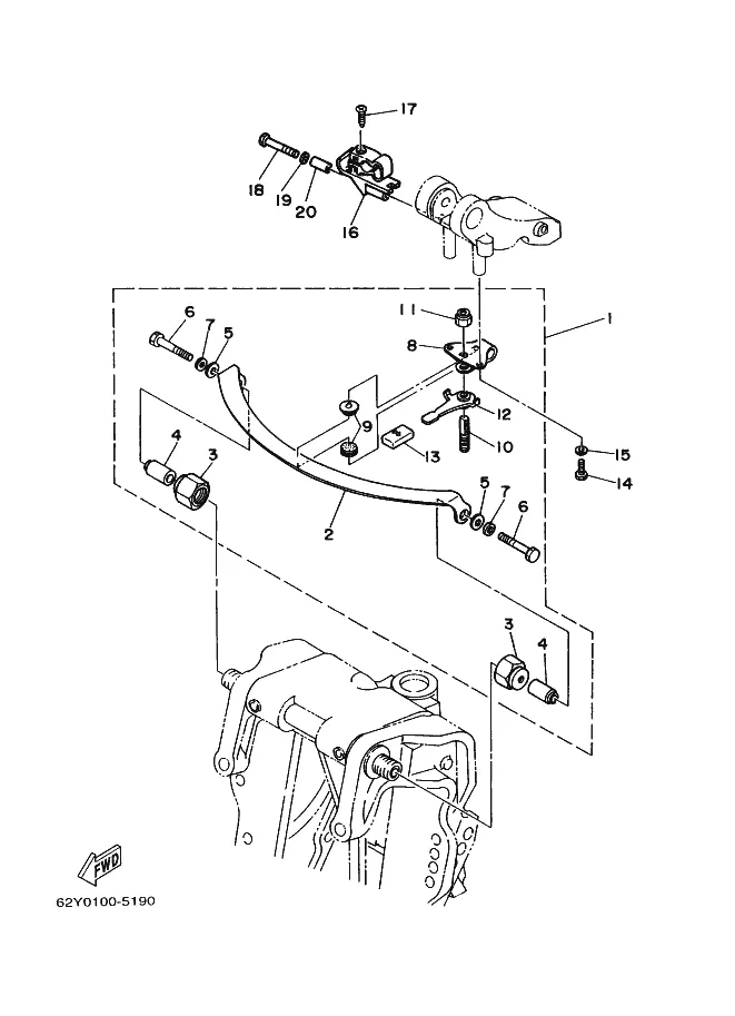
Рулевая тяга
-
Блок дистанционного управления
-
Пульт дистанционного управления в сборе 1
-
Пульт дистанционного управления в сборе 2
-
Счетчик 1
-
Счетчик 2
-
Панель переключателей
-
Ремкомплект 1
-
Ремкомплект 2
-
Ремкомплект 3
-
Ремкомплект 4