P165/8A (647, 1972) XXA
-
Руководство по эксплуатации PG1
-
Руководство по эксплуатации PG2
-
Крышка цилиндра
-
Коленчатый вал и поршень
-
Впускная система
-
Карбюратор
-
Управление
-
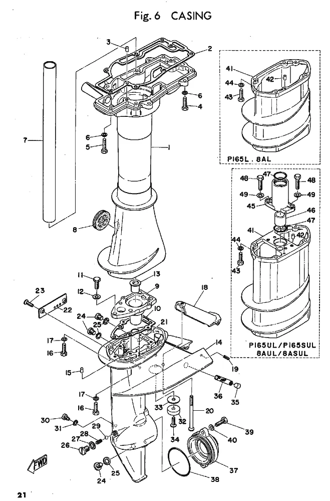
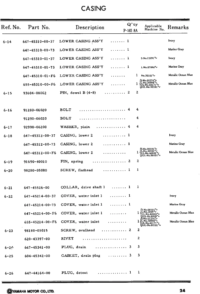
Корпус
-
Детали корпуса PG1
-
Детали корпуса PG2
-
Детали корпуса PG3
-
Детали корпуса PG4
-
Привод
-
Водяной насос
-
Кронштейн
-
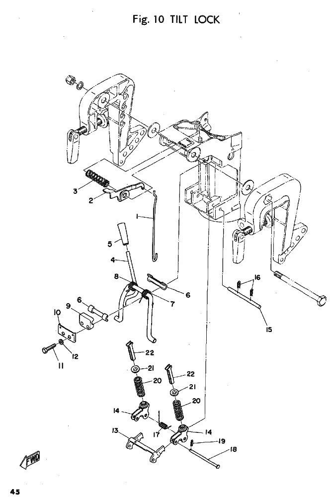
Блокировка наклона
-
Детали блокировки наклона PG1
-
Детали блокировки наклона PG2
-
Рулевое управление
-
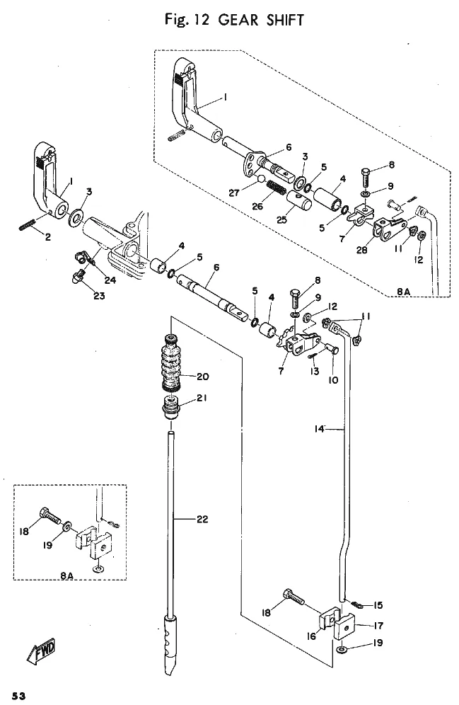
Переключение передач
-
Детали переключения передач PG1
-
Детали переключения передач PG1
-
Корпус маховика
-
Стартер
-
Обтекатель
-
Топливный насос
-
Топливная система
-
Топливный бак
-
Смазка и крепление