[0W240000 & Up]
-
Транцевая плита и трос реверса
-
Корпус кардана (2A514802 и ниже)
-
Корпус кардана Синий разъем (2A514803 и выше)
-
Корпус кардана (Встроенный транец)
-
Кольцо кардана и рычаг рулевого механизма
-
Кольцо кардана (Встроенный транец)
-
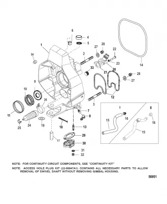
Колоколообразный кожух (2A514802 и ниже)
-
Колоколообразный кожух Синий разъем (2A514803 и выше)
-
Колоколообразный кожух (Встроенный и высокопроизводительный транец)
-
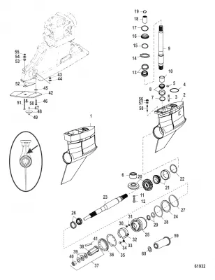
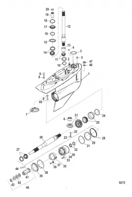
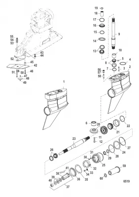
Корпус ведущего вала и ведущие шестерни
-
Компоненты универсального шарнира и реверса
-
Картер редуктора (Bravo I XR)
-
Картер редуктора (Bravo III)
-
Картер редуктора (Bravo I XR/SportMaster)(0M955633 и ниже)
-
Картер редуктора (Bravo I XR/SportMaster/Sport)(0M955634 и выше)
-
Цилиндры системы дифферента и гидравлические шланги (Стандартные транцы)
-
Компоненты цилиндра системы дифферента
-
Насос системы дифферента в сборе (В сборе)
-
Компоненты насоса системы дифферента и двигателя
-
Привод рулевого механизма с усилителем (Транец Magnum и Hi-Performance)
-
Привод рулевого механизма с усилителем (Встроенный транец)
-
Крышка корпуса кардана
-
Комплект Mercathode
-
Комплект Mercathode (Встроенный транец)
-
Компоненты монитора редукторной смазки