[1998 & Up] - Cat.# 90-885203
-
Двигатель для тралового лова в сборе (Модель 736) (12 В)
-
Двигатель для тралового лова в сборе (Модель 743) (12 В)
-
Двигатель для тралового лова в сборе (Модель 752) (12 В)
-
Двигатель для тралового лова в сборе (Модель 752V) (12 В)
-
Двигатель для тралового лова в сборе (Модель 767) (24 В)
-
Двигатель для тралового лова в сборе (Модель 767P) (24 В)
-
Материал для обслуживания
-
Нижний блок в сборе (36# – с регулировкой скорости до 5/2) (MPF397012)
-
Нижний блок в сборе (43# – с регулировкой скорости до 5) (MEF397032)
-
Нижний блок в сборе (52# – переменная) (MCF397162)
-
Нижний блок в сборе (54# – с регулировкой скорости до 5/2) (MDF397102)
-
Нижний блок в сборе (67# – с регулировкой скорости до 5) (MVF397012)
-
Нижний блок в сборе (71# – с регулировкой скорости до 5) (MVS397012)
-
Ремонтный комплект – нижний блок в сборе (M6220T)
-
Ремонтный комплект – нижний блок в сборе (M6220T1)
-
Список инструментов (Специальный)
-
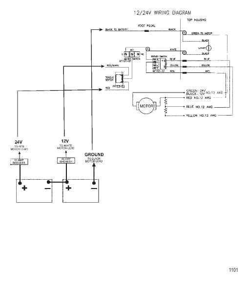
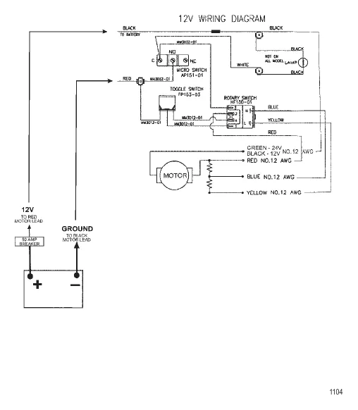
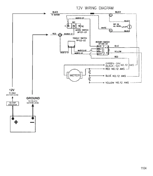
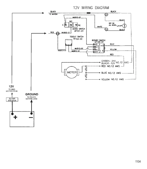
Схема электрических подключений (Модель 736) (12 В)
-
Схема электрических подключений (Модель 743) (12 В)
-
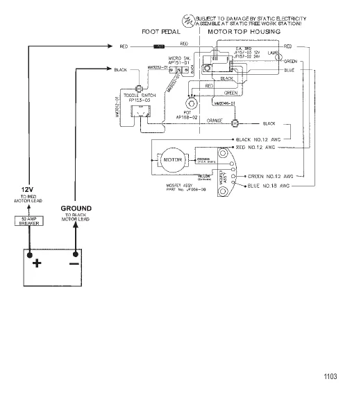
Схема электрических подключений (Модель 752) (12 В)
-
Схема электрических подключений (Модель 752V) (12 В)
-
Схема электрических подключений (Модель 767) (24 В)
-
Схема электрических подключений (Модель 767P) (24 В)
-
Электрические разъемы и клеммы