[1996 & Up] - Cat.# 90-885209
-
Двигатель для тралового лова в сборе (Модель HVF5000 / HVF5200) (12 В)
-
Двигатель для тралового лова в сборе (Модель HVT3000) (12 В)
-
Двигатель для тралового лова в сборе (Модель HVT3200) (12 В)
-
Двигатель для тралового лова в сборе (Модель HVT3600) (12 В)
-
Двигатель для тралового лова в сборе (Модель HVT3700) (12 В)
-
Двигатель для тралового лова в сборе (Модель HVT4300) (12 В)
-
Двигатель для тралового лова в сборе (Модель HVT4400) (12 В)
-
Двигатель для тралового лова в сборе (Модель HVT5000) (12 В)
-
Двигатель для тралового лова в сборе (Модель HVT5200) (12 В)
-
Материал для обслуживания
-
Нижний блок в сборе (30# – с регулировкой скорости до 5/2) (MFF397042)
-
Нижний блок в сборе (30# – с регулировкой скорости до 5/2) (MHF397042)
-
Нижний блок в сборе (30# – с регулировкой скорости до 5/2) (MHF397102)
-
Нижний блок в сборе (36# – с регулировкой скорости до 5/2) (MPF397012)
-
Нижний блок в сборе (38# – с регулировкой скорости до 5/2) (MPF397042)
-
Нижний блок в сборе (43# – с регулировкой скорости до 5/2) (MET397012)
-
Нижний блок в сборе (46# – с регулировкой скорости до 5/2) (MET397032)
-
Нижний блок в сборе (52# – с регулировкой скорости до 5/2) (MDF397022)
-
Нижний блок в сборе (54# – с регулировкой скорости до 5/2) (MDF397102)
-
Ремонтный комплект – нижний блок в сборе (M6220T)
-
Ремонтный комплект – нижний блок в сборе (M6220T1)
-
Список инструментов (Специальный)
-
Схема электрических подключений (Модель HVF5000 / HVF5200) (12 В)
-
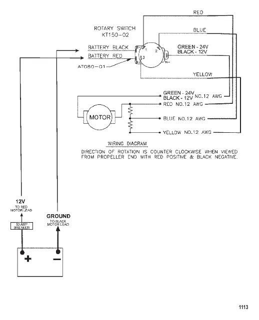
Схема электрических подключений (Модель HVT3000 / HVT3200) (12 В)
-
Схема электрических подключений (Модель HVT3600 / HVT3700) (12 В)
-
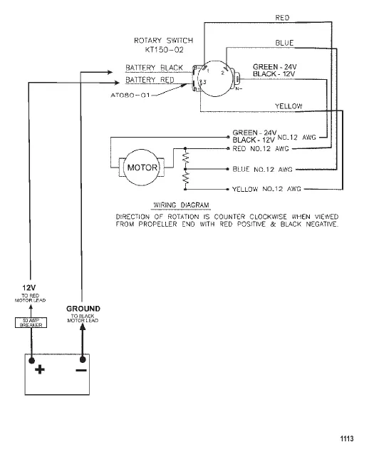
Схема электрических подключений (Модель HVT4300 / HVT4400) (12 В)
-
Схема электрических подключений (Модель HVT5000 / HVT5200) (12 В)
-
Электрические разъемы и клеммы