[0L302200 THRU 0M299999] - Cat.# 90-80470399
- 
                    
                        
                            
                        
                        
                            Блок цилиндров и распределительный вал                        
                    
                 - 
                    
                        
                            
                        
                        
                            Водяной насос и передняя крышка                        
                    
                 - 
                    
                        
                            
                        
                        
                            Впускной коллектор и топливные направляющие                        
                    
                 - 
                    
                        
                            
                        
                        
                            Выхлопной коллектор и выхлопной коленчатый патрубок                        
                    
                 - 
                    
                        
                            
                        
                        
                            Генератор (Mando)                        
                    
                 - 
                    
                        
                            
                        
                        
                            Генератор и кронштейны (Delco)                        
                    
                 - 
                    
                        
                            
                        
                        
                            Генератор и стартер (Mando)                        
                    
                 - 
                    
                        
                            
                        
                        
                            Головка цилиндра и крышка коромысла                        
                    
                 - 
                    
                        
                            
                        
                        
                            Датчики и сенсоры                        
                    
                 - 
                    
                        
                            
                        
                        
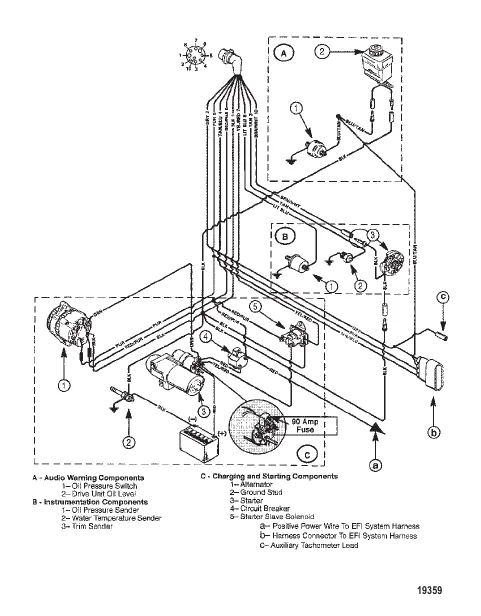
                            Жгут электропроводки (EFI)                        
                    
                 - 
                    
                        
                            
                        
                        
                            Жгут электропроводки (Двигатель)                        
                    
                 - 
                    
                        
                            
                        
                        
                            Закрытая система охлаждения                        
                    
                 - 
                    
                        
                            
                        
                        
                            Коленчатый вал и маховик                        
                    
                 - 
                    
                        
                            
                        
                        
                            Корпус дроссельной заслонки и пламегаситель                        
                    
                 - 
                    
                        
                            
                        
                        
                            Корпус маховика                        
                    
                 - 
                    
                        
                            
                        
                        
                            Маслосборник и масляный насос                        
                    
                 - 
                    
                        
                            
                        
                        
                            Масляный фильтр и переходник                        
                    
                 - 
                    
                        
                            
                        
                        
                            Материал для обслуживания/поддержки                        
                    
                 - 
                    
                        
                            
                        
                        
                            Монтаж трансмиссии и двигателя (Borg Warner 5000)                        
                    
                 - 
                    
                        
                            
                        
                        
                            Монтаж трансмиссии и двигателя (Borg Warner 71C и 72C)                        
                    
                 - 
                    
                        
                            
                        
                        
                            Монтаж трансмиссии и двигателя (Hurth 630)                        
                    
                 - 
                    
                        
                            
                        
                        
                            Насос для забортной воды в сборе                        
                    
                 - 
                    
                        
                            
                        
                        
                            Поршни и соединительные стержни                        
                    
                 - 
                    
                        
                            
                        
                        
                            Распределитель и компоненты системы зажигания                        
                    
                 - 
                    
                        
                            
                        
                        
                            Стандартная система охлаждения                        
                    
                 - 
                    
                        
                            
                        
                        
                            Стартер                        
                    
                 - 
                    
                        
                            
                        
                        
                            Топливный насос и охладитель топлива                        
                    
                 - 
                    
                        
                            
                        
                        
                            Топливный фильтр                        
                    
                 - 
                    
                        
                            
                        
                        
                            Трансмиссия (V-привод) (Hurth 630)                        
                    
                 - 
                    
                        
                            
                        
                        
                            Трансмиссия (V-привод) (Hurth 630)                        
                    
                 - 
                    
                        
                            
                        
                        
                            Трансмиссия (с наклоном вниз)  (Hurth 630)                        
                    
                 - 
                    
                        
                            
                        
                        
                            Трансмиссия (с наклоном вниз) (Hurth 630)                        
                    
                 - 
                    
                        
                            
                        
                        
                            Трансмиссия и связанные детали (Borg Warner 5000)                        
                    
                 - 
                    
                        
                            
                        
                        
                            Трансмиссия и связанные детали (Borg Warner 71C и 72C)                        
                    
                 - 
                    
                        
                            
                        
                        
                            Трансмиссия и связанные детали (Hurth 630)                        
                    
                 - 
                    
                        
                            
                        
                        
                            Электрические компоненты