[0L302200 THRU 0M299999] - Cat.# 90-80470399
-
Блок цилиндров и распределительный вал
-
Водяной насос и передняя крышка
-
Впускной коллектор и топливные направляющие
-
Выхлопной коллектор и выхлопной коленчатый патрубок
-
Генератор (Mando)
-
Генератор и кронштейны (Delco)
-
Генератор и стартер (Mando)
-
Головка цилиндра и крышка коромысла
-
Датчики и сенсоры
-
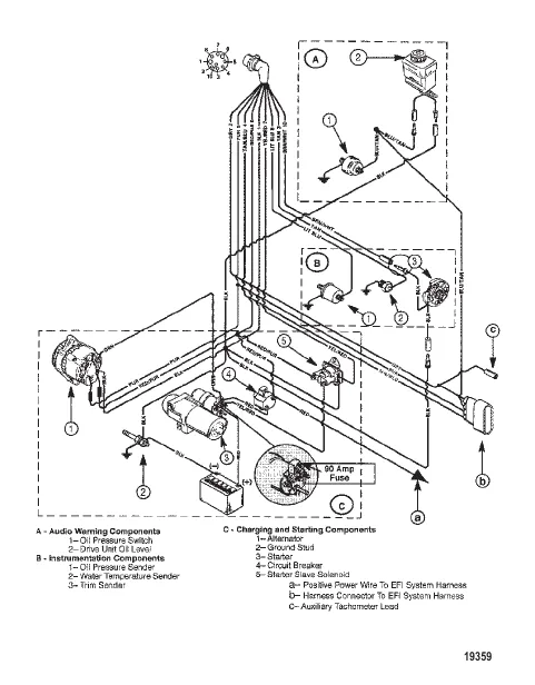
Жгут электропроводки (EFI)
-
Жгут электропроводки (Двигатель)
-
Закрытая система охлаждения
-
Коленчатый вал и маховик
-
Корпус дроссельной заслонки и пламегаситель
-
Корпус маховика
-
Маслосборник и масляный насос
-
Масляный фильтр и переходник
-
Материал для обслуживания/поддержки
-
Монтаж трансмиссии и двигателя (Borg Warner 5000)
-
Монтаж трансмиссии и двигателя (Borg Warner 71C и 72C)
-
Монтаж трансмиссии и двигателя (Hurth 630)
-
Насос для забортной воды в сборе
-
Поршни и соединительные стержни
-
Распределитель и компоненты системы зажигания
-
Стандартная система охлаждения
-
Стартер
-
Топливный насос и охладитель топлива
-
Топливный фильтр
-
Трансмиссия (V-привод) (Hurth 630)
-
Трансмиссия (V-привод) (Hurth 630)
-
Трансмиссия (с наклоном вниз) (Hurth 630)
-
Трансмиссия (с наклоном вниз) (Hurth 630)
-
Трансмиссия и связанные детали (Borg Warner 5000)
-
Трансмиссия и связанные детали (Borg Warner 71C и 72C)
-
Трансмиссия и связанные детали (Hurth 630)
-
Электрические компоненты