[0L331599 THRU 0M299999] - Cat.# 90-80948899
-
Блок цилиндров и распределительный вал
-
Водяной насос и передняя крышка
-
Впускной коллектор и топливные направляющие
-
Выносной масляный фильтр
-
Выхлопная система
-
Выхлопной коллектор и выхлопной коленчатый патрубок
-
Генератор (Mando)
-
Генератор и кронштейны (Delco)
-
Генератор и стартер (Mando)
-
Головка цилиндра и крышка коромысла
-
Датчики и сенсоры
-
Жгут электропроводки (EFI)
-
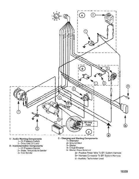
Жгут электропроводки (Двигатель)
-
Закрытая система охлаждения
-
Коленчатый вал и маховик
-
Компоненты Mercathode
-
Компоненты рулевого механизма с усилителем
-
Корпус дроссельной заслонки и пламегаситель
-
Корпус маховика
-
Крепление двигателя
-
Кронштейн переключения передач (Двигатели Alpha)
-
Кронштейн переключения передач (Двигатели Bravo)
-
Маслосборник и масляный насос
-
Масляный бак и кронштейн
-
МАТЕРИАЛ ДЛЯ ОБСЛУЖИВАНИЯ/ПОДДЕРЖКИ
-
Насос для забортной воды в сборе
-
Поршни и соединительные стержни
-
Распределитель и компоненты системы зажигания
-
Стандартная система охлаждения
-
Топливный насос и охладитель топлива
-
Топливный фильтр
-
Электрические компоненты