1983-1986 [6229718 THRU 0B531853] - Cat.# 90-41261
- 
                    
                        
                             БЛОК ЦИЛИНДРОВ, ПОРШЕНЬ И ПОДШИПНИКИ  (140-3.0L/181 CID) БЛОК ЦИЛИНДРОВ, ПОРШЕНЬ И ПОДШИПНИКИ  (140-3.0L/181 CID)
- 
                    
                        
                             БЛОК ЦИЛИНДРОВ, ПОРШЕНЬ И ПОДШИПНИКИ (120-2.5L/153 CID) БЛОК ЦИЛИНДРОВ, ПОРШЕНЬ И ПОДШИПНИКИ (120-2.5L/153 CID)
- 
                    
                        
                             ВЫХЛОПНАЯ СИСТЕМА (НОВАЯ КОНСТРУКЦИЯ) ВЫХЛОПНАЯ СИСТЕМА (НОВАЯ КОНСТРУКЦИЯ)
- 
                    
                        
                             ВЫХЛОПНАЯ СИСТЕМА (СТАРАЯ КОНСТРУКЦИЯ) ВЫХЛОПНАЯ СИСТЕМА (СТАРАЯ КОНСТРУКЦИЯ)
- 
                    
                        
                             ВЫХЛОПНОЙ КОЛЛЕКТОР (ИСП. С 1-КОМП. ВЫХЛОПНЫМ КОЛЕНЧАТЫМ ПАТРУБКОМ) ВЫХЛОПНОЙ КОЛЛЕКТОР (ИСП. С 1-КОМП. ВЫХЛОПНЫМ КОЛЕНЧАТЫМ ПАТРУБКОМ)
- 
                    
                        
                             ВЫХЛОПНОЙ КОЛЛЕКТОР ИСП. С 2-КОМП. ВЫХЛОПНЫМ КОЛЕНЧАТЫМ ПАТРУБКОМ ВЫХЛОПНОЙ КОЛЛЕКТОР ИСП. С 2-КОМП. ВЫХЛОПНЫМ КОЛЕНЧАТЫМ ПАТРУБКОМ
- 
                    
                        
                             ГЕНЕРАТОР (DELCO REMY №1103113) ГЕНЕРАТОР (DELCO REMY №1103113)
- 
                    
                        
                             ГЕНЕРАТОР (DELCO-REMY №1105064) ГЕНЕРАТОР (DELCO-REMY №1105064)
- 
                    
                        
                             Генератор (Mando) Генератор (Mando)
- 
                    
                        
                             ГЕНЕРАТОР (MOTOROLA №8EM2003KA) ГЕНЕРАТОР (MOTOROLA №8EM2003KA)
- 
                    
                        
                             ГЕНЕРАТОР (MOTOROLA №8MR2039K) ГЕНЕРАТОР (MOTOROLA №8MR2039K)
- 
                    
                        
                             ГОЛОВКА ЦИЛИНДРА И КРЫШКА КОРОМЫСЛА (120-2.5L/153 CID) ГОЛОВКА ЦИЛИНДРА И КРЫШКА КОРОМЫСЛА (120-2.5L/153 CID)
- 
                    
                        
                             ГОЛОВКА ЦИЛИНДРА И КРЫШКА КОРОМЫСЛА (140-3.0L/181 CID) ГОЛОВКА ЦИЛИНДРА И КРЫШКА КОРОМЫСЛА (140-3.0L/181 CID)
- 
                    
                        
                             КАРБЮРАТОР (MERCARB) КАРБЮРАТОР (MERCARB)
- 
                    
                        
                             КАРБЮРАТОР (ROCHESTER) КАРБЮРАТОР (ROCHESTER)
- 
                    
                        
                             КОЛЕНЧАТЫЙ ВАЛ, РАСПРЕДЕЛИТЕЛЬНЫЙ ВАЛ, ВОДЯНОЙ НАСОС (120-2.5L/153 CID) КОЛЕНЧАТЫЙ ВАЛ, РАСПРЕДЕЛИТЕЛЬНЫЙ ВАЛ, ВОДЯНОЙ НАСОС (120-2.5L/153 CID)
- 
                    
                        
                             КОЛЕНЧАТЫЙ ВАЛ, РАСПРЕДЕЛИТЕЛЬНЫЙ ВАЛ, ВОДЯНОЙ НАСОС (140-3.0L/181 CID) КОЛЕНЧАТЫЙ ВАЛ, РАСПРЕДЕЛИТЕЛЬНЫЙ ВАЛ, ВОДЯНОЙ НАСОС (140-3.0L/181 CID)
- 
                    
                        
                             Комплект насоса и охладителя усилителя рулевого управления (71333A5) Комплект насоса и охладителя усилителя рулевого управления (71333A5)
- 
                    
                        
                             КОМПОНЕНТЫ ДРОССЕЛЬНОЙ ЗАСЛОНКИ (СТАРАЯ КОНСТРУКЦИЯ) КОМПОНЕНТЫ ДРОССЕЛЬНОЙ ЗАСЛОНКИ (СТАРАЯ КОНСТРУКЦИЯ)
- 
                    
                        
                             КОМПОНЕНТЫ МЕХАНИЗМА ПЕРЕКЛЮЧЕНИЯ ПЕРЕДАЧ (НОВАЯ КОНСТРУКЦИЯ С ПРУЖИННОЙ НАПРАВЛЯЮЩЕЙ) КОМПОНЕНТЫ МЕХАНИЗМА ПЕРЕКЛЮЧЕНИЯ ПЕРЕДАЧ (НОВАЯ КОНСТРУКЦИЯ С ПРУЖИННОЙ НАПРАВЛЯЮЩЕЙ)
- 
                    
                        
                             КОМПОНЕНТЫ МЕХАНИЗМА ПЕРЕКЛЮЧЕНИЯ ПЕРЕДАЧ (НОВАЯ КОНСТРУКЦИЯ) КОМПОНЕНТЫ МЕХАНИЗМА ПЕРЕКЛЮЧЕНИЯ ПЕРЕДАЧ (НОВАЯ КОНСТРУКЦИЯ)
- 
                    
                        
                             КОМПОНЕНТЫ МЕХАНИЗМА ПЕРЕКЛЮЧЕНИЯ ПЕРЕДАЧ (СТАРАЯ КОНСТРУКЦИЯ) КОМПОНЕНТЫ МЕХАНИЗМА ПЕРЕКЛЮЧЕНИЯ ПЕРЕДАЧ (СТАРАЯ КОНСТРУКЦИЯ)
- 
                    
                        
                             КОМПОНЕНТЫ СТАНДАРТНОЙ СИСТЕМЫ ЗАЖИГАНИЯ КОМПОНЕНТЫ СТАНДАРТНОЙ СИСТЕМЫ ЗАЖИГАНИЯ
- 
                    
                        
                             КОМПОНЕНТЫ УДЛИНИТЕЛЯ ВЕДУЩЕГО ВАЛА МОДЕЛИ С ПРОМЕЖУТОЧНЫМ ВАЛОМ КОМПОНЕНТЫ УДЛИНИТЕЛЯ ВЕДУЩЕГО ВАЛА МОДЕЛИ С ПРОМЕЖУТОЧНЫМ ВАЛОМ
- 
                    
                        
                             КОМПОНЕНТЫ УДЛИНИТЕЛЯ ВЕДУЩЕГО ВАЛА МОДЕЛИ С ПРОМЕЖУТОЧНЫМ ВАЛОМ КОМПОНЕНТЫ УДЛИНИТЕЛЯ ВЕДУЩЕГО ВАЛА МОДЕЛИ С ПРОМЕЖУТОЧНЫМ ВАЛОМ
- 
                    
                        
                             КОМПОНЕНТЫ УДЛИНИТЕЛЯ ВЕДУЩЕГО ВАЛА МОДЕЛИ С ПРОМЕЖУТОЧНЫМ ВАЛОМ КОМПОНЕНТЫ УДЛИНИТЕЛЯ ВЕДУЩЕГО ВАЛА МОДЕЛИ С ПРОМЕЖУТОЧНЫМ ВАЛОМ
- 
                    
                        
                             КОМПОНЕНТЫ ЦИФРОВОЙ СИСТЕМЫ ЗАЖИГАНИЯ КОМПОНЕНТЫ ЦИФРОВОЙ СИСТЕМЫ ЗАЖИГАНИЯ
- 
                    
                        
                             КОРПУС МАХОВИКА КОРПУС МАХОВИКА
- 
                    
                        
                             КРЕПЛЕНИЕ ДВИГАТЕЛЯ (ПЕРЕДНЯЯ ЧАСТЬ) КРЕПЛЕНИЕ ДВИГАТЕЛЯ (ПЕРЕДНЯЯ ЧАСТЬ)
- 
                    
                        
                             МАСЛОСБОРНИК И МАСЛЯНЫЙ НАСОС  (140-3.0L/181 CID) МАСЛОСБОРНИК И МАСЛЯНЫЙ НАСОС  (140-3.0L/181 CID)
- 
                    
                        
                             МАСЛОСБОРНИК И МАСЛЯНЫЙ НАСОС (120-2.5L/153 CID) МАСЛОСБОРНИК И МАСЛЯНЫЙ НАСОС (120-2.5L/153 CID)
- 
                    
                        
                             НАСОС РУЛЕВОГО МЕХАНИЗМА С УСИЛИТЕЛЕМ В СБОРЕ НАСОС РУЛЕВОГО МЕХАНИЗМА С УСИЛИТЕЛЕМ В СБОРЕ
- 
                    
                        
                             РАЗЛИЧНЫЕ ДЕТАЛИ\ВСПОМОГАТЕЛЬНОЕ ОБОРУДОВАНИЕ РАЗЛИЧНЫЕ ДЕТАЛИ\ВСПОМОГАТЕЛЬНОЕ ОБОРУДОВАНИЕ
- 
                    
                        
                             СТАРТЕР СТАРТЕР
- 
                    
                        
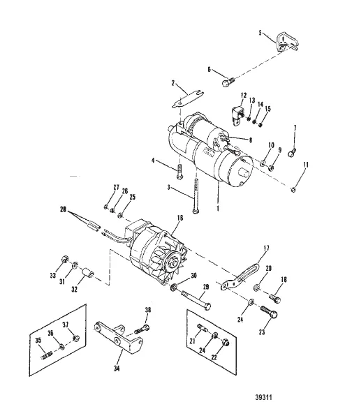
                             СТАРТЕР И ГЕНЕРАТОР СТАРТЕР И ГЕНЕРАТОР
- 
                    
                        
                             ТОПЛИВНЫЙ НАСОС И КАРБЮРАТОР (НОВАЯ КОНСТРУКЦИЯ) ТОПЛИВНЫЙ НАСОС И КАРБЮРАТОР (НОВАЯ КОНСТРУКЦИЯ)
- 
                    
                        
                             ТОПЛИВНЫЙ НАСОС И КАРБЮРАТОР (СТАРАЯ КОНСТРУКЦИЯ) ТОПЛИВНЫЙ НАСОС И КАРБЮРАТОР (СТАРАЯ КОНСТРУКЦИЯ)
- 
                    
                        
                             ЭЛЕКТРОПРОВОДКА И ЭЛЕКТРИЧЕСКИЕ КОМПОНЕНТЫ ЭЛЕКТРОПРОВОДКА И ЭЛЕКТРИЧЕСКИЕ КОМПОНЕНТЫ
 
             
 
                         
                         
                         
                         
                         
                         
                         
                         
                         
                         
                         
                         
                         
                         
                         
                         
                         
                         
                         
                         
                         
                         
                         
                         
                         
                         
                         
                         
                         
                         
                         
                         
                         
                         
                         
                         
                        