[357P9A & Up] - USA - Cat.# 90-FOB4273
-
Дистанционное управление
-
Зуммер перегрева
-
Карбюратор
-
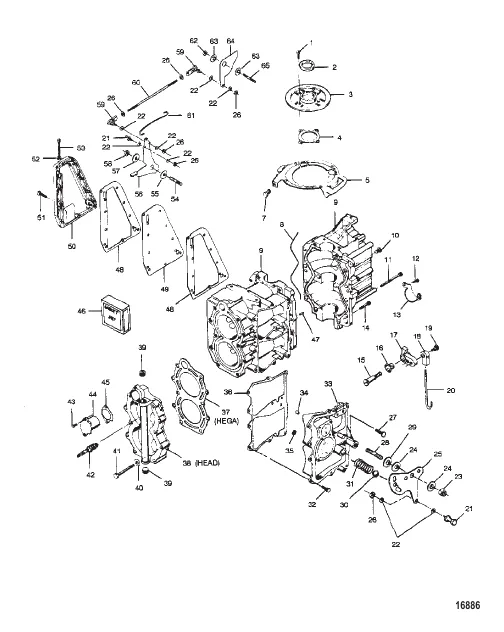
Картер редуктора
-
Коленчатый вал и поршень в сборе
-
Компоненты системы зажигания
-
Крышка двигателя (Модели Blue Fin)
-
Крышка двигателя (Модели Force)
-
Материал для обслуживания и поддержки
-
Ножка двигателя
-
Опорная пластина
-
Пластина пластинчатого клапана
-
Разделительная пластина
-
Силовая головка
-
Топливный бак и топливопровод
-
Топливный насос
-
Шарнирный кронштейн и кормовой кронштейн
-
Электрические компоненты
-
Электрический стартер