[689-301911 THRU 321376] - Belgium - Cat.# 90-84952
-
C.D.I MAGNETO В СБОРЕ
-
ВПУСКНОЙ КОЛЛЕКТОР
-
ДОПОЛНИТЕЛЬНЫЕ ДЕТАЛИ
-
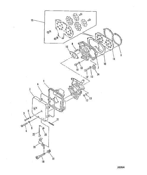
КАРБЮРАТОР
-
КАРТЕР И ГОЛОВКА ЦИЛИНДРА
-
КАРТЕР РЕДУКТОРА
-
КОЛЕНЧАТЫЙ ВАЛ И ПОРШЕНЬ
-
КОМПЛЕКТ КРЕПЛЕНИЯ ДУ
-
КОМПОНЕНТЫ СИСТЕМЫ ЗАЖИГАНИЯ C.D.I
-
КОМПОНЕНТЫ СИСТЕМЫ ЭЛЕКТРИЧЕСКОГО ПУСКА
-
КОРПУС ВЕДУЩЕГО ВАЛА
-
КРОНШТЕЙНЫ (M-007185/ML-308700/E-101515/EL-404000 и ниже)
-
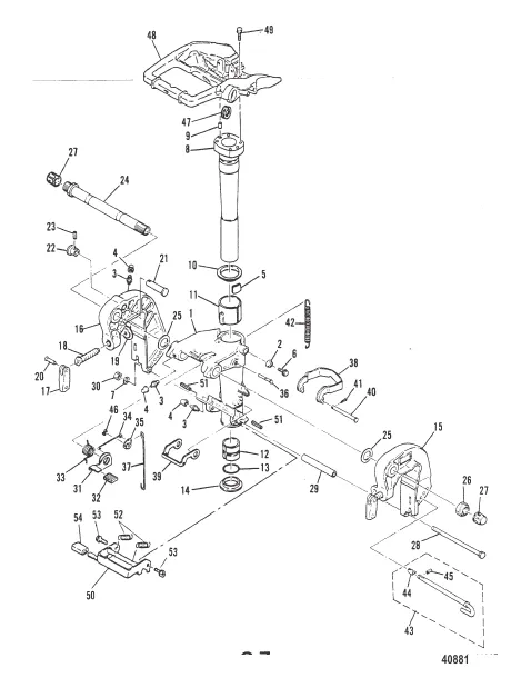
КРОНШТЕЙНЫ (M-007186/ML-308701/E-101516/EL-404001 и выше)
-
МАТЕРИАЛ ДЛЯ ОБСЛУЖИВАНИЯ/ПОДДЕРЖКИ
-
ОБТЕКАТЕЛЬ
-
РУКОЯТКА РУЛЕВОГО МЕХАНИЗМА
-
РУЧНОЙ СТАРТЕР
-
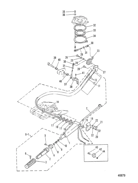
СИСТЕМА УСТАНОВКИ
-
СТАРТЕР (E-101515/EL-404000 и ниже)
-
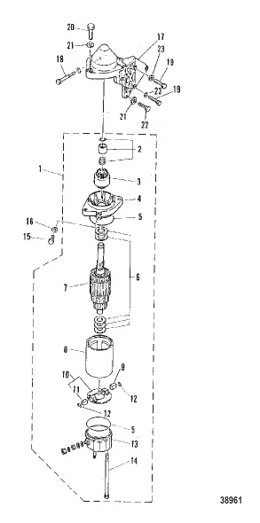
СТАРТЕР (E-101516/EL-404001 и выше)
-
ТАБЛИЦА ГРЕБНЫХ ВИНТОВ
-
ТОПЛИВНЫЙ БАК (M-019155/ML-318599/E-104325/EL-409500
-
ТОПЛИВНЫЙ БАК (M-019156/ML-318600/E-104326/EL-409501 и выше)
-
ТОПЛИВНЫЙ БАК В СБОРЕ (НЕОРИГИНАЛЬНЫЙ БАК)
-
ТОПЛИВНЫЙ НАСОС
-
ТОПЛИВОПРОВОДЫ И ФИЛЬТР
-
ТЯГА МЕХАНИЗМА ПЕРЕКЛЮЧЕНИЯ ПЕРЕДАЧ