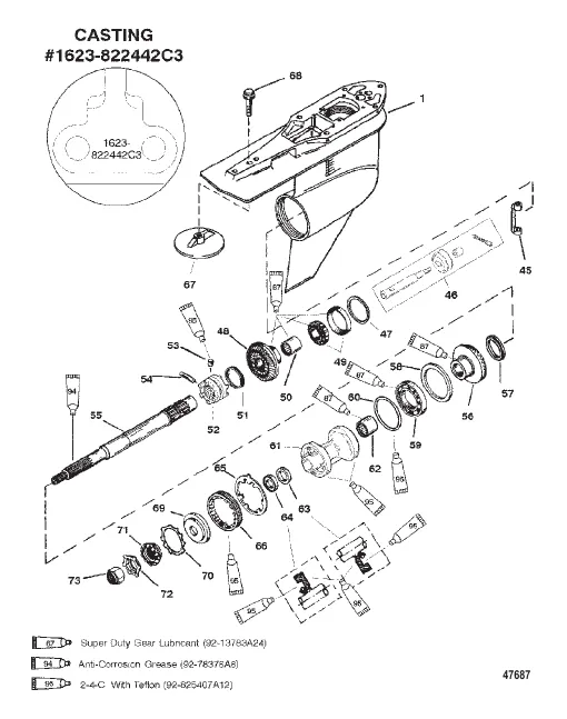
КАРТЕР РЕДУКТОРА (ГРЕБНОЙ ВАЛ) СТАНД. ВРАЩЕНИЕ (G438000 И ВЫШЕ) [0G386496 THRU 0G589999] - USA - Cat.# 90-80917097 200 (DFI)
№
Описание
-
К-во на
агрегате -
Стоимость
за шт.
49

Уточните дату поставки
-
К-во на агрегате
-
Стоимость за шт.10 875 ₽
-
Купить
63

-
К-во на агрегате
-
Стоимость за шт.3 348 ₽
-
Купить
65

Уточните дату поставки
-
К-во на агрегате
-
Стоимость за шт.3 682 ₽
-
Купить